开云官方版在线入口

在线留言 收藏本站 网站地图欢迎进入开封青天伟业开云官方版在线入口-开云(中国) 有限公司网站!

15年专注流体测控设备,畅销全球85个国家精准度高、稳定性好、库存充足

服务热线:17530107806

青天仪表开云官方版在线入口

电磁流量计传感器测量的传统方法是什么?

作者: 青天仪表 编辑: 青天小编 来源: 电磁流量计厂家 发布日期: 2020.03.03
信息摘要:
电磁流量计传感器测量的传统方法大致上是模拟式—具有高输入阻抗和高输入共模抑制性能的前置放大器用来应对传感器漏电流效应,然后是三阶或四阶模拟带…

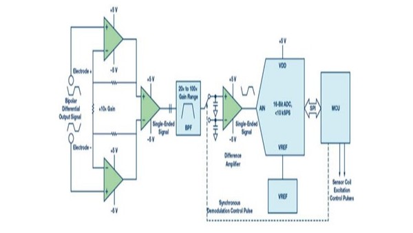
电磁流量计传感器测量的传统方法大致上是模拟式 — 具有高输入阻抗和高输入共模抑制性能的前置放大器用来应对传感器漏电流效应,然后是三阶或四阶模拟带通滤波器和采样保持级,最后是模数转换。典型模拟前端方法如下图 所示。

电磁流量计传感器测量图

      传感器输出信号首先经由仪表放大器放大。必须尽量放大目标信号,同时要避免不需要的直流共模电压引起放大器输出饱和。这通常会将第一级仪表放大器的增益限制在最多 10 倍。带通滤波器级进一步消除直流影响,

并再次放大信号,然后进入采样保持电路 — 正是这个差值信号代表流速 — 随后送至模数转换器。

       以上就是电磁流量计厂家为大家提供的电磁流量计传感器测量的传统方法是什么?,大家可以根据以上这些内容来做一些参考,希望可以帮助用户在使用过程中了解更多的维护方式,减少仪器在使用过程中出现测量的误差,经常对仪器进行保养和维护可以有效的提高仪器的性能。


咨询热线

17530107806